Trong lĩnh vực kỹ thuật – từ cơ khí, xây dựng cho đến thiết kế sản xuất – bản vẽ kỹ thuật là ngôn ngữ chung để truyền đạt ý tưởng và thông tin kỹ thuật giữa các kỹ sư, nhà thiết kế và thợ thi công. Dù bạn là sinh viên mới bắt đầu học vẽ hay kỹ sư đã đi làm, việc hiểu đúng và đọc chính xác bản vẽ kỹ thuật là kỹ năng bắt buộc. Tuy nhiên, không ít người vẫn gặp khó khăn với các ký hiệu, tỷ lệ hay tiêu chuẩn thể hiện trên bản vẽ.
Bài viết này sẽ giúp bạn hệ thống lại những kiến thức nền tảng về bản vẽ kỹ thuật, bao gồm tiêu chuẩn, ký hiệu và cách đọc hiểu đúng cách.

Bản vẽ kỹ thuật là gì?
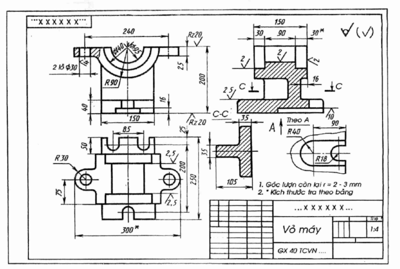
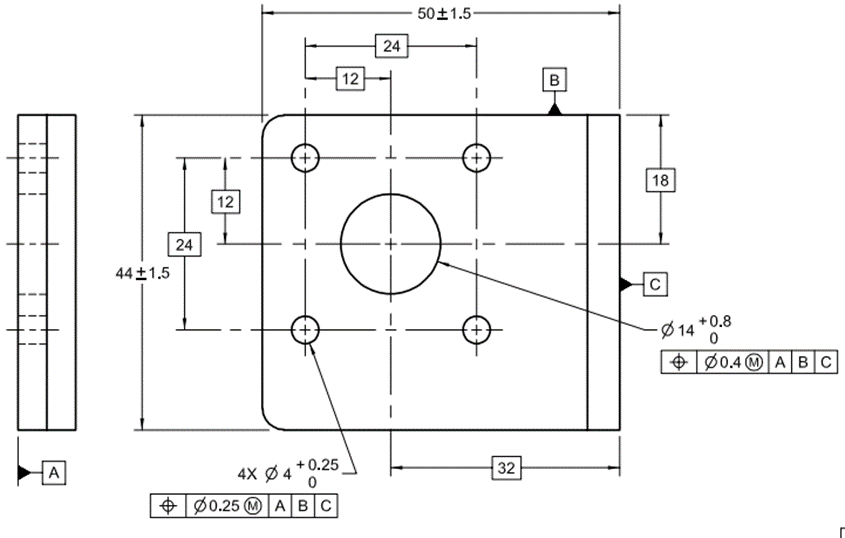
Bản vẽ kỹ thuật (Technical Drawing) là hình biểu diễn các đối tượng kỹ thuật bằng đường nét, ký hiệu và kích thước theo những quy tắc nhất định. Mục đích của bản vẽ là truyền đạt thông tin kỹ thuật chính xác để sản xuất, lắp ráp hoặc xây dựng một sản phẩm, chi tiết hay công trình. Tùy vào lĩnh vực ứng dụng, bản vẽ kỹ thuật được chia thành nhiều loại:
- Bản vẽ cơ khí: Thể hiện chi tiết, lắp ráp, dung sai, vật liệu của chi tiết máy.
- Bản vẽ xây dựng: Biểu diễn cấu trúc, mặt bằng, mặt đứng và hệ thống kỹ thuật của công trình.
- Bản vẽ điện: Thể hiện sơ đồ mạch điện, thiết bị, dây dẫn, và hệ thống điều khiển.
- Bản vẽ 3D (CAD): Dạng mô hình 3D hỗ trợ thiết kế, gia công và trình bày trực quan.
Bản vẽ là “ngôn ngữ kỹ thuật” mà mọi người trong ngành đều phải hiểu, bởi chỉ một sai lệch nhỏ cũng có thể dẫn đến lỗi nghiêm trọng trong sản xuất hoặc thi công.
Các tiêu chuẩn trong bản vẽ kỹ thuật
Để các bản vẽ được hiểu thống nhất, các tiêu chuẩn quốc tế và quốc gia đã được thiết lập và áp dụng rộng rãi. Tại Việt Nam, các kỹ sư thường sử dụng các hệ tiêu chuẩn sau:
- TCVN (Tiêu chuẩn Việt Nam): Quy định cách ghi kích thước, ký hiệu vật liệu, đường nét, tỷ lệ.
- ISO (Tổ chức Tiêu chuẩn hóa Quốc tế): Được áp dụng phổ biến trong môi trường làm việc quốc tế hoặc khi hợp tác với các công ty nước ngoài.
- JIS (Tiêu chuẩn Nhật Bản) và ANSI (Tiêu chuẩn Mỹ): Dùng trong các dự án có đối tác đến từ các quốc gia này.
Ví dụ:
- Tỷ lệ trong bản vẽ cơ khí có thể là 1:1, 1:2, hoặc 2:1 tùy mục đích trình bày.
- Kích thước được thể hiện bằng milimet, ghi rõ trên đường kích thước.
- Vật liệu được ký hiệu ngắn gọn, ví dụ “SS400” (thép carbon) hoặc “Al6061” (nhôm hợp kim).
Việc tuân thủ tiêu chuẩn bản vẽ kỹ thuật giúp người thiết kế, gia công và kiểm định hiểu đúng và làm đúng, tránh sai sót trong quy trình sản xuất.
Ký hiệu cơ bản trong bản vẽ kỹ thuật

Khi mới tiếp cận bản vẽ, phần “gây rối” nhất chính là hệ thống ký hiệu. Dưới đây là những ký hiệu cơ bản bạn cần nắm:
Đường nét trong bản vẽ:
- Đường đậm: Biểu diễn các cạnh thấy được.
- Đường mảnh: Dùng cho kích thước, gióng, đường tâm hoặc đường gạch gạch.
- Đường chấm gạch: Dùng cho trục đối xứng hoặc đường tâm lỗ.
Ký hiệu dung sai và nhám bề mặt:
- Dung sai: Cho biết mức sai lệch cho phép của kích thước (ví dụ: Ø10 ±0.05).
- Ký hiệu nhám: Dạng hình tam giác hoặc chữ như Ra 1.6, thể hiện độ nhẵn bề mặt sau gia công.
Ký hiệu mối hàn, ren, vật liệu:
- Ký hiệu mối hàn thường có dạng hình tam giác gắn vào đường tham chiếu.
- Ren được ký hiệu như M6, M10 (ren hệ mét).
- Vật liệu thể hiện bằng chữ viết tắt hoặc mã tiêu chuẩn.
Việc hiểu rõ các ký hiệu này giúp bạn đọc nhanh bản vẽ, nhận biết các thông tin quan trọng chỉ trong vài giây.
Những lỗi thường gặp khi đọc bản vẽ kỹ thuật
Ngay cả người đã đi làm cũng dễ mắc lỗi nếu thiếu chú ý đến chi tiết. Một số lỗi phổ biến gồm:
- Hiểu sai tỷ lệ bản vẽ, dẫn đến sai kích thước khi gia công.
- Bỏ sót ký hiệu dung sai hoặc nhám bề mặt, khiến sản phẩm không đạt yêu cầu kỹ thuật.
- Không phân biệt được các loại đường nét, gây nhầm lẫn giữa cạnh thật và đường tâm.
- Không kiểm tra tiêu chuẩn bản vẽ được sử dụng (ISO, JIS, hay TCVN).
Mẹo nhỏ: Khi đọc bản vẽ, hãy bắt đầu bằng việc xác định tỷ lệ, hệ đơn vị, khung tên và tiêu chuẩn thể hiện trước khi đi sâu vào chi tiết.

Cách học và rèn kỹ năng đọc bản vẽ hiệu quả
- Thực hành với các bản vẽ thật: Tải các bản vẽ chi tiết, lắp ráp từ các dự án mẫu hoặc phần mềm CAD.
- So sánh giữa 2D và 3D: Giúp hiểu rõ mối quan hệ giữa hình chiếu và mô hình thực tế.
- Học qua phần mềm CAD (AutoCAD, Inventor, SolidWorks): Giúp bạn nhận biết ký hiệu và tiêu chuẩn trực quan hơn.
- Tham gia các khóa học online hoặc đọc tài liệu kỹ thuật: Nhiều nguồn miễn phí hiện có trên YouTube hoặc các diễn đàn kỹ sư.
Kết luận
Nắm vững bản vẽ kỹ thuật không chỉ giúp bạn đọc đúng và thiết kế chính xác, mà còn nâng cao năng lực chuyên môn trong công việc. Hiểu được tiêu chuẩn, ký hiệu và cách trình bày bản vẽ là nền tảng quan trọng giúp bạn làm việc chuyên nghiệp hơn trong môi trường kỹ thuật ngày càng hiện đại.

